Arama
Kapat

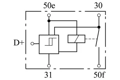
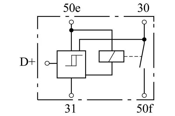
Bosch 0331802100 Guc Sarter Rölesi 42568519, A0015424819


Üretici/Marka: Bosch
Stok Kodu: bosch-0-331-802-100
Üretici Numarası: 0331802100
OEM: 42568519, A0015424819
GTIN/EAN: 3165141783544
Teslim süresi: İrtibat Kurunuz
Durumu: Stokta Yok
6.835 ₺ %44
3.842 ₺

Bosch 0331802100 Guc Sarter Rölesi, OEM: 42568519, A0015424819. Kampanyalı ve indirimli fiyatlarla satın al.

Ürün Özellikleri

Orijinal Parça Üreticisi Bilgileri (OEMs)

CUMMINS: 15424819, 35310760, 42568519, 3426330, A0015424819
IVECO: 15424819, 35310760, 42568519, 3426330, A0015424819
MERCEDES: 15424819, 35310760, 42568519, 3426330, A0015424819, 412171, 41822902, 99438867, 661315, 99438876
MTU: 15424819, 35310760, 42568519, 3426330, A0015424819

Alternatif Ürünler

BOSCH: 331801300, 331802100, F026T00003
MANN FILTER: 81259020454
SAMPA: 210262

Ürünün Kullanıldığı Araçlar

Üretici ModelYılBeygirKasa Tipi
Taksit Seçenekleri
Whatsapp 05495343125