Arama
Kapat

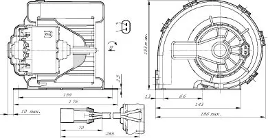
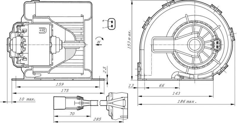
Bosch 0130115604 Fan Motoru AL214942


Üretici/Marka: Bosch
Stok Kodu: bosch-0130115604
Üretici Numarası: 0130115604
OEM: AL214942
GTIN/EAN: 4047026356557
Teslim süresi: İrtibat Kurunuz
Durumu: Stokta Yok
6.835 ₺ %44
3.842 ₺

Bosch 0130115604 Fan Motoru, OEM: AL214942. Kampanyalı ve indirimli fiyatlarla satın al.

Ürün Özellikleri

Nominal gerilim: 12 V
Nominal akım: 14 A
İşletme devir sayısı: 4468 1/dak
Koruma türü: IP13
Dönme yönü: Dönme yönü saat yönünde

Orijinal Parça Üreticisi Bilgileri (OEMs)

JOHN DEERE: AL214942, AL173961, AL215704, AL75105, AL80700, AL110881, 23A70MI74D, 130115604, F006B10133, 7A4232D

Alternatif Ürünler

BOSCH: 130115604

Ürünün Kullanıldığı Araçlar

Üretici ModelYılBeygirKasa Tipi
Taksit Seçenekleri
Whatsapp 05495343125