Arama
Kapat

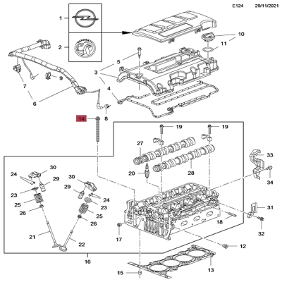
Febi Bilstein 45206 Silindir Kapak Saplaması Astra J-Insıgnıa-Corsa D-Corsa E-Mokka (10 Ad) , 55566811, 607165


CHEVROLET AVEO , CRUZE - OPEL ADAM , ASTRA J , CORSA D, INSIGNIA A, MERIVA B, MOKKA / MOKKA X , ZAFIRA TOURER C

Üretici/Marka: Febi Bilstein
Stok Kodu: febi-bilstein-45206
Üretici Numarası: 45206
OEM: , 55566811, 607165
GTIN/EAN: 4027816452065
Teslim süresi: Stoktan Kargoya Teslimat
Durumu: STOKTA VAR
502 ₺ %83
83 ₺

İlave % 5 havale indirimi

PAYTR ile Taksit Seçenekleri
Minimum sipariş 10 adettir
ADET M10X121MM

Ürün Özellikleri

Cıvata başı profili: Dış torks
Dış dişli: M9 x 1,25 mm
Dişli uzunluğu: 113 mm
Kafa altı cıvata uzunluğu: 121 mm
Ağırlık: 0,06 kg
Üst yüzey tipi: Greslenmiş

Orijinal Parça Üreticisi Bilgileri (OEMs)

CHEVROLET: 55566811, 5556681112X, 60716512X, 607165, 607165S1, 55566811S1, 55566811x12, 607165x12, 5566811
GENERAL MOTORS: 55566811, 5556681112X, 60716512X, 607165, 607165S1, 55566811S1, 55566811x12, 607165x12, 5566811
OPEL: 3910072J10, 3910073J20, 3921172J25, 3910173J20, 6687176, 93BX2K021BB, 1022077, 4605A783, 607165, 6668587
VAUXHALL: 55566811, 5556681112X, 60716512X, 607165, 607165S1, 55566811S1, 55566811x12, 607165x12, 5566811

Alternatif Ürünler

AJUSA: 81053800
BGA: BK9600
BLUE PRİNT: ADG07827, ADG07828, ADN18943B
BOSCH: 986424200
CAR: GNS3160K
CIFAM: 8226560
CORTECO: 49362990
ELRING: 751970
FEBİ BİLSTEİN: 101789, 11000, 11212, 13006, 14275, 17064, 26139, 45206, 4804, 6982, 9374
FREMAX: FBP1028
GLASER: T5948700
MAGNETI MARELLI: 363700424069
MECDIESEL: 480767, 483251
METELLI: 2206560
MEYLE: 252359315W
MOTIVE: HB1657SET
ODM-MULTIPARTS: 12060143
SAMKO: 23K350
SWAG: 40945206
TEXTAR: 2135803
VEMA: 18700
VICTOR REINZ: 143233101

Ürünün Kullanıldığı Araçlar

Üretici ModelYılBeygirKasa Tipi
CHEVROLET AVEO 1.4 LDD03.2011-101Hatchback
CHEVROLET AVEO 1.4 LDD07.2011-100Sedan
CHEVROLET AVEO 1.4 LUV09.2011-140Sedan
CHEVROLET AVEO 1.4 Turbo LUJ08.2013-140Hatchback
CHEVROLET CRUZE 1.4 LUJ09.2010-140Sedan
CHEVROLET ORLANDO 1.4 LUJ06.2012-140MPV
OPEL ADAM 1.2 A12XEL10.2012-02.201969Hatchback
OPEL ADAM 1.4 A14XEL10.2012-02.201987Hatchback
OPEL ADAM 1.4 B14XER10.2012-02.2019101Hatchback
OPEL ADAM 1.4 LPG A14XEL07.2013-11.201887Hatchback
OPEL AMPERA EV 150 A14XFL11.2011-03.2015151Hatchback
OPEL ASTRA J 1.4 A14NEL10.2011-120Hatchback
OPEL ASTRA J 1.4 A14XEL12.2009-10.201587Hatchback
OPEL ASTRA J 1.4 A14XEL01.2014-10.201587Sedan
OPEL ASTRA J 1.4 A14XEL10.2010-10.201587Station wagon
OPEL ASTRA J 1.4 A14XER10.2011-10.2015101Hatchback
OPEL ASTRA J 1.4 B14NET10.2011-140Hatchback
OPEL ASTRA J 1.4 B14XER12.2009-10.2015100Hatchback
OPEL ASTRA J 1.4 B14XER06.2012-10.2015101Sedan
OPEL ASTRA J 1.4 B14XER10.2010-10.2015101Station wagon
OPEL ASTRA J 1.4 LPG A14NET01.2012-10.2015140Hatchback
OPEL ASTRA J 1.4 LPG A14NET07.2014-140Sedan
OPEL ASTRA J 1.4 LPG A14NET12.2011-10.2015140Station wagon
OPEL ASTRA J 1.4 Turbo A14NEL10.2010-10.2015120Hatchback
OPEL ASTRA J 1.4 Turbo A14NEL06.2012-10.2015120Sedan
OPEL ASTRA J 1.4 Turbo A14NEL10.2010-10.2015120Station wagon
OPEL ASTRA J 1.4 Turbo B14NET12.2009-10.2015140Hatchback
OPEL ASTRA J 1.4 Turbo B14NET06.2012-140Sedan
OPEL ASTRA J 1.4 Turbo B14NET10.2010-10.2015140Station wagon
OPEL CASCADA 1.4 A14NEL04.2013-04.2018120Cabrio
OPEL CASCADA 1.4 Turbo B14NET03.2013-04.2018140Cabrio
OPEL CORSA D 1.2 A12XEL12.2009-08.201469Hatchback
OPEL CORSA D 1.2 A12XEL01.2010-08.201469Kasa/eğik arka
OPEL CORSA D 1.2 A12XER12.2009-08.201486Hatchback
OPEL CORSA D 1.2 A12XER06.2010-08.201486Kasa/eğik arka
OPEL CORSA D 1.2 LPG A12XER06.2011-08.201483Hatchback
OPEL CORSA D 1.2 LPG A12XER06.2011-08.201486Hatchback
OPEL CORSA D 1.2 LPG Z12XEP09.2009-12.201175Hatchback
OPEL CORSA D 1.2 LPG Z12XEP08.2006-08.201480Hatchback
OPEL CORSA D 1.2 Z12XEP07.2006-08.201480Hatchback
OPEL CORSA D 1.2 Z12XEP08.2006-08.201480Kasa/eğik arka
OPEL CORSA D 1.4 A14XEL09.2009-08.201487Hatchback
OPEL CORSA D 1.4 A14XER12.2009-08.2014100Hatchback
OPEL CORSA D 1.4 A14XER07.2012-08.2014101Kasa/eğik arka
OPEL CORSA D 1.4 LPG A14XEL09.2009-08.201487Hatchback
OPEL CORSA D 1.4 LPG Z14XEP08.2006-12.201190Hatchback
OPEL CORSA D 1.4 Z14XEP07.2006-08.201490Hatchback
OPEL CORSA E 1.4 Turbo D14NEH03.2015-150Hatchback
OPEL INSIGNIA A 1.4 B14NET04.2011-03.2017140Hatchback
OPEL INSIGNIA A 1.4 B14NET04.2011-03.2017140Sedan
OPEL INSIGNIA A 1.4 B14NET09.2011-06.2013140Station wagon
OPEL INSIGNIA A 1.4 LPG B14NET07.2012-03.2017140Hatchback
OPEL INSIGNIA A 1.4 LPG B14NET07.2012-03.2017140Sedan
OPEL INSIGNIA A 1.4 LPG B14NET07.2012-06.2013140Station wagon
OPEL MERIVA B 1.4 A14NEL06.2010-03.2017120MPV
OPEL MERIVA B 1.4 B14NET06.2010-03.2017140MPV
OPEL MERIVA B 1.4 B14XER06.2010-03.2017100MPV
OPEL MERIVA B 1.4 ECOTEC A14XER01.2013-03.2017101Kasa/büyük limuzin
OPEL MERIVA B 1.4 LPG A14NEL06.2011-03.2017120MPV
OPEL MOKKA / MOKKA X 1.4 4x4 D14NET06.2012-140SUV
OPEL MOKKA / MOKKA X 1.4 D14NET04.2013-140SUV
OPEL MOKKA / MOKKA X 1.4 LPG D14NET04.2013-140SUV
OPEL ZAFIRA TOURER C 1.4 A14NEL10.2011-120MPV
OPEL ZAFIRA TOURER C 1.4 B14NET10.2011-140MPV
OPEL ZAFIRA TOURER C 1.4 LPG B14NET10.2011-140MPV
Whatsapp 05495343125