Arama
Kapat

MGA 50390 Fren Dısk On Hava Kanallı 246-4 Daıhatsu Sırıon 05 - 10 50390, 4351297402


DAIHATSU COPEN , CUORE VII, MIRA COCOA , SIRION , YRV - SUBARU JUSTY IV

Üretici/Marka: MGA
Stok Kodu: mga-50390
Üretici Numarası: 50390
OEM: 50390, 4351297402
Teslim süresi: Dış Depo Tedarik, Güncel Stok ve Fiyat Sorunuz
Durumu: STOKTA VAR
1.096 ₺ %10
986 ₺

Ürün Özellikleri

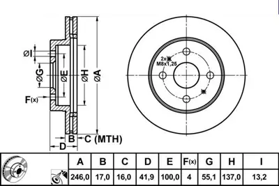
Fren diski türü: İçten havalandırmalı
Merkezleme çapı: 55,1 mm
Dış çap: 246 mm
Yükseklik: 42 mm
Asgari kalınlık: 16 mm
Delik şekli/Delik sayısı: 04/06
İlave parça 2: Poyra yok
Ağırlık: 4,1 kg
Delik çemberi-Ø: 100 mm
Fren diski kalınlığı: 17 mm
İlave parça 2: Tekerlek bijon saplaması yok
Teknik bilgi numarası: 54656

Orijinal Parça Üreticisi Bilgileri (OEMs)

DAIHATSU: 4351297402, 43512B1110, 4351297402000, 1H0498203, 191498203C, 43512N1110, 1J0407285F, 949A8, ZBA407285, 893498203C

Alternatif Ürünler

AP: 25347
ATE: 24011701071, 417107
BENDIX: 562532BC
BLUE PRİNT: ADD64326
BOSCH: 986479769, 986AB5594
BRAXIS: AE0335
BREMBO: 9B52310, 9B52311
CAR: 1421518
CIFAM: 800923C
DELPHI: BG4128
EUROBRAKE: 5815205114, 5815315114
FEBİ BİLSTEİN: 10314, 30637
FERODO: DDF1774, DDF17741, DDF1774C, DDF1774C1
FTE: 9072323, 9082239, BS7106, BS7106B
HELLA: 8DD355100841, 8DD355114421
JURID: 562532JC
METELLI: 230923C
MEYLE: 39155210000
MIRAGLIO: 80563
OPTIMAL: BS8844, BS8844C
SWAG: 62910314, 88930637
TEXTAR: 92029800, 92029803, 92165600, 92165603
TRW: DF4905, DF7427
VALEO: 197609

Ürünün Kullanıldığı Araçlar

Üretici ModelYılBeygirKasa Tipi
DAIHATSU COPEN 0.7 JB09.2003-12.200768Cabrio
DAIHATSU COPEN 0.7 JB-DET09.2003-09.201264Cabrio
DAIHATSU COPEN 1.3 K3-VE03.2006-09.201287Cabrio
DAIHATSU CUORE VII 0.7 4WD07.2014-67Hatchback
DAIHATSU CUORE VII 0.7 4WD KF-DET12.2006-64Hatchback
DAIHATSU CUORE VII 0.7 4WD KF-VE12.2006-58Hatchback
DAIHATSU CUORE VII 0.7 KF-DET12.2006-64Hatchback
DAIHATSU CUORE VII 0.7 KF-VE12.2006-58Hatchback
DAIHATSU CUORE VII 1.0 1KR-FE04.2007-70Hatchback
DAIHATSU CUORE VII 1.0 LPG 1KR-FE09.2011-12.201270Hatchback
DAIHATSU MIRA COCOA 0.7 4WD KF-VE08.2009-09.201258Hatchback
DAIHATSU MIRA COCOA 0.7 4WD KF-VE10.2012-03.201852Hatchback
DAIHATSU MIRA COCOA 0.7 KF-VE08.2009-09.201258Hatchback
DAIHATSU MIRA COCOA 0.7 KF-VE10.2012-03.201852Hatchback
DAIHATSU SIRION 1.0 1KR-FE01.2005-06.201370Hatchback
DAIHATSU SIRION 1.0 DVVT 4WD 1KR-FE04.2005-69Hatchback
DAIHATSU SIRION 1.0 LPG 1KR-FE01.2005-06.201370Hatchback
DAIHATSU SIRION 1.3 K3-VE01.2005-87Hatchback
DAIHATSU YRV 1.3 GTti K3-VET07.2002-129MPV
SUBARU JUSTY IV 1.0 1KR-FE01.2007-69Hatchback
Whatsapp 05495343125