Arama
Kapat

MGA 50607 Fren Dıskı On Duz 239.7 Mm Ford Escort 1.3 Fıesta 1.3 1.4 5022652, 5022652


FORD ESCORT V, ESCORT VI, FIESTA , FIESTA III, ORION III - VW LOGUS

Üretici/Marka: MGA
Stok Kodu: mga-50607
Üretici Numarası: 50607
OEM: 5022652, 5022652
Teslim süresi: Dış Depo Tedarik, Güncel Stok ve Fiyat Sorunuz
Durumu: STOKTA VAR
913 ₺ %10
821 ₺

Ürün Özellikleri

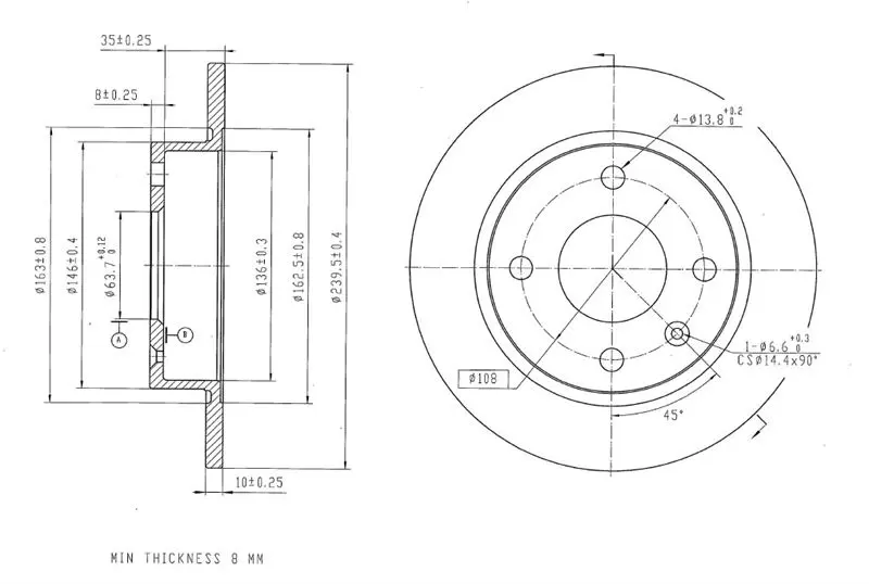
Delik şekli/Delik sayısı: 04/05
Delik çemberi-Ø: 108 mm
Fren diski türü: Dolu
Asgari kalınlık: 8 mm
Yükseklik: 43 mm
Teknik bilgi numarası: 51012
İlave parça 2: Tekerlek bijon saplaması yok
İlave parça 2: Poyra yok
Dış çap: 239 mm
Merkezleme çapı: 63,5 mm
Fren diski kalınlığı: 10 mm
Ağırlık: 3,2 kg

Orijinal Parça Üreticisi Bilgileri (OEMs)

FORD: 1107767, 89FX1125AE, 6191063, 6183975, 5022652, 6183976, 1072464, 5022653, 6191062, 89FX1125S1A

Alternatif Ürünler

AP: 14234E, 24682E
ATE: 24011001961, 24031001961, 410196
BARUM: BAR10196
BENDIX: 521913, 561496B
BLUE PRİNT: ADF124321
BOSCH: 986478501, 986BB4029, BD427
BRAXIS: AE0213
BREMBO: 8516410, 8516411, 8516424, 8516476
CAR: 142263
CHAMPİON: 561496CH
CIFAM: 800168
DELPHI: BG2439, BG439
EUROBRAKE: 5815202526, 5815312526
EUROREPAR: 1618868080, 1643021380
FEBİ BİLSTEİN: 10518, 170751, 5650
FERODO: DDF208, DDF2081, DDF208C, DDF208C1
FREMAX: BD1062
FTE: BS3611
GATES: 21501, 31501
HELLA: 1G8132233011, 530032869
JURID: 561496J, 561496J1, 561496JC, 8290599
LEMFORDER: 1683802
LPR: F1281P, F1281PR
MAGNETI MARELLI: 353611728140, 360406025100, 360406025200, 361302040226, 361302040227
METELLI: 230168
MGA: D968
OPTIMAL: BS0940, BS0940C
SWAG: 50905650, 50910518
TEXTAR: 92050900
TOPRAN: 107149
TRW: DF1658
VALEO: 186162
WAGNER: WGR02081
WURTH: 980820047
ZIMMERMANN: 200254520, 250132700, 250132720, 250132770, 250132772, 250132775, 250134120

Ürünün Kullanıldığı Araçlar

Üretici ModelYılBeygirKasa Tipi
FORD ESCORT V 1.3 J6A07.1990-01.199560Hatchback
FORD ESCORT V 1.3 J6A08.1993-01.199560Sedan
FORD ESCORT V 1.3 J6A09.1991-01.199560Station wagon
FORD ESCORT V 1.4 F6F07.1990-01.199571Hatchback
FORD ESCORT V 1.4 F6F08.1993-04.199471Sedan
FORD ESCORT V 1.4 F6F07.1990-01.199571Station wagon
FORD ESCORT V 1.4 FUH09.1990-12.199475Hatchback
FORD ESCORT V 1.4 FUH08.1993-01.199575Sedan
FORD ESCORT V 1.4 FUH01.1994-01.199575Station wagon
FORD ESCORT V 1.4 i F4B07.1993-01.199575Cabrio
FORD ESCORT V 1.6 16V XR3i L1E12.1992-01.199590Cabrio
FORD ESCORT V 1.6 i 16V L1E09.1992-01.199590Hatchback
FORD ESCORT V 1.6 i 16V L1E08.1993-01.199590Sedan
FORD ESCORT V 1.6 i 16V L1E09.1992-01.199590Station wagon
FORD ESCORT V 1.6 i 16V L1H02.1994-01.199588Cabrio
FORD ESCORT V 1.6 i 16V L1H01.1994-01.199588Hatchback
FORD ESCORT V 1.6 i 16V L1H01.1994-01.199588Sedan
FORD ESCORT V 1.6 i 16V L1H01.1994-01.199588Station wagon
FORD ESCORT V 1.8 D RTH08.1993-01.199560Sedan
FORD ESCORT V 1.8 TD RFD02.1993-01.199590Hatchback
FORD ESCORT V 1.8 TD RFD08.1993-01.199590Sedan
FORD ESCORT V 1.8 TD RFD02.1993-01.199590Station wagon
FORD ESCORT VI 1.3 J6A01.1995-02.199960Sedan
FORD ESCORT VI 1.3 J6A01.1995-01.199960Station wagon
FORD FIESTA 1.0 TLB04.1989-12.199145Kasa/büyük limuzin
FORD FIESTA 1.1 G6A12.1991-08.199550Kasa/büyük limuzin
FORD FIESTA 1.3 J6B09.1991-02.199660Kasa/büyük limuzin
FORD FIESTA 1.8 D RTG09.1991-02.199660Kasa/büyük limuzin
FORD FIESTA 1.8 D RTG03.1989-12.199560Kasa/eğik arka
FORD FIESTA 1.8 TD07.1993-08.199575Kasa/eğik arka
FORD FIESTA 1.8 TD D18TRFL07.1993-08.199575Kasa/büyük limuzin
FORD FIESTA III 1.0 TLB03.1989-12.199545Hatchback
FORD FIESTA III 1.1 G6A03.1989-12.199550Hatchback
FORD FIESTA III 1.1 GUD03.1989-12.199555Hatchback
FORD FIESTA III 1.3 Cat J6B05.1991-01.199760Hatchback
FORD FIESTA III 1.3 JBC03.1989-12.199260Hatchback
FORD FIESTA III 1.4 F6E03.1989-12.199571Hatchback
FORD FIESTA III 1.4 FUF11.1992-12.199675Hatchback
FORD FIESTA III 1.4 FUG03.1989-12.199573Hatchback
FORD FIESTA III 1.8 D RTG03.1989-12.199560Hatchback
FORD FIESTA III 1.8 TD RFL03.1993-12.199575Hatchback
FORD ORION III 1.3 J6A07.1990-12.199360Sedan
VW LOGUS 1.6 Álcool MTE01.1993-10.199475Sedan
VW LOGUS 1.6 Álcool YP04.1995-12.199683Sedan
VW LOGUS 1.6 MTE01.1993-10.199473Sedan
VW LOGUS 1.6 UVC10.1994-12.199676Sedan
VW LOGUS 1.8 21310.1994-12.199698Sedan
VW LOGUS 1.8 21910.1994-04.199888Sedan
VW LOGUS 1.8 Álcool 21310.1994-12.199698Sedan
VW LOGUS 1.8 Álcool RM12.1992-05.199395Sedan
VW LOGUS 1.8 RM12.1992-05.199495Sedan
Whatsapp 05495343125