Arama
Kapat

MGA 50644 Fren Dısk On Hava Kanallı 305-5 Volvo S60 S80 V70 274170, 274170


VOLVO S60 I, S80 I, V70 II, XC70 CROSS COUNTRY I

Üretici/Marka: MGA
Stok Kodu: mga-50644
Üretici Numarası: 50644
OEM: 274170, 274170
Ücretsiz kargo
Teslim süresi: Dış Depo Tedarik, Güncel Stok ve Fiyat Sorunuz
Durumu: STOKTA VAR
6.410 ₺ %13
5.555 ₺

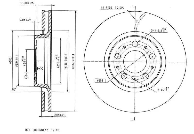
Ürün Özellikleri

Üst yüzey tipi: Kaplamalı
Teknik bilgi numarası: 50283PRO_HC
Yükseklik: 50,3 mm
Fren diski kalınlığı: 28 mm
Delik çemberi-Ø: 108 mm
Delik şekli/Delik sayısı: 05/10
İlave parça 2: Tekerlek bijon saplaması yok
Dış çap: 305 mm
İşleme: Yüksek karbonlu
Fren diski türü: Dıştan havalandırmalı
Asgari kalınlık: 25 mm
Merkezleme çapı: 68 mm
Ağırlık: 9,4 kg
İlave parça 2: Poyra yok

Orijinal Parça Üreticisi Bilgileri (OEMs)

VOLVO: 272404, 2724045, 31262707, 274559, 2741702, 274170, 31262716, 312242707, 31400741, 31400740

Alternatif Ürünler

AP: 24845, 24845V, 24845X, 24919E, 24919V, 24919X
ATE: 24012801231, 24032801231, 428123, 528123
BARUM: BAR28123
BENDIX: 520915, 562173B, 562173BC
BLUE PRİNT: ADF124335, ADF124358
BOSCH: 986478494, 986479C59, 986AB6595, 986T16595
BRAXIS: AD0289
BREMBO: 9776410, 9913010, 9913011, 9913014, 991301X, 9913075, FD095000, FS095000
CAR: 142649, HPD649
CHAMPİON: 562173CH
CIFAM: 800561C
DELPHI: BG3514, BG9514, BG9514C
EUROBRAKE: 5815204842, 5815314842, 5815344842
EUROREPAR: 1642754880
FEBİ BİLSTEİN: 18050, 43922
FERODO: DDF1078, DDF10781, DDF1078C, DDF1078C1, DDF1078C1D
FORMPART: 3002012
FREMAX: BD4045
FTE: BS4728, BS4728B
JURID: 562173JC, 562173JC1
LPR: V1483V, V1483VR
MAGNETI MARELLI: 353616029240, 360406051800, 360406051801, 360406051802, 360406051805, 361302040438
METELLI: 230561C
MEYLE: 5145210001, 5155210001PD, 5155210032PD
MGA: D1376, SB8980
OPTIMAL: BS5910, BS5910C, BS5910HC
SWAG: 55918050, 55943922
TEXTAR: 92100600, 92100603, 92100605
TRW: DF4053, DF4053S, DF4772
VALEO: 186741, 186823, 186854, 197173, 297173, 297741
ZIMMERMANN: 610370200, 610370220, 610370252, 610370270, 610370272, 610370275

Ürünün Kullanıldığı Araçlar

Üretici ModelYılBeygirKasa Tipi
VOLVO S60 I 2.0 T B5204T507.2000-04.2010180Sedan
VOLVO S60 I 2.3 T5 B5234T707.2000-09.2002265Sedan
VOLVO S60 I 2.4 B5244S11.2000-04.2010170Sedan
VOLVO S60 I 2.4 B5244S207.2000-04.2010140Sedan
VOLVO S60 I 2.4 B5244T401.2005-10.2006180Sedan
VOLVO S60 I 2.4 Bifuel B5244SG07.2001-04.2010140Sedan
VOLVO S60 I 2.4 Bifuel B5244SG207.2001-04.2010140Sedan
VOLVO S60 I 2.4 CDI D5244T310.2003-12.2005116Sedan
VOLVO S60 I 2.4 D D5244T205.2001-04.2010130Sedan
VOLVO S60 I 2.4 D D5244T507.2005-12.2009163Sedan
VOLVO S60 I 2.4 D D5244T605.2005-12.2006122Sedan
VOLVO S60 I 2.4 D D5244T703.2005-04.2010126Sedan
VOLVO S60 I 2.4 D5 D5244T01.2001-04.2010163Sedan
VOLVO S60 I 2.4 D5 D5244T403.2005-04.2010185Sedan
VOLVO S60 I 2.4 T AWD B5244T306.2001-04.2010200Sedan
VOLVO S60 I 2.4 T B5244T307.2000-04.2010200Sedan
VOLVO S60 I 2.4 T5 B5244T504.2004-04.2010260Sedan
VOLVO S60 I 2.5 T AWD B5254T207.2002-04.2010210Sedan
VOLVO S60 I 2.5 T B5254T201.2003-04.2010210Sedan
VOLVO S60 I R 2,5 T AWD B5254T401.2003-04.2010300Sedan
VOLVO S60 I T5 B5234T307.2000-04.2010250Sedan
VOLVO S80 I 2.0 B5204T406.1998-07.2006163Sedan
VOLVO S80 I 2.0 T B5204T306.1998-07.2006226Sedan
VOLVO S80 I 2.0 T B5204T512.1999-07.2006180Sedan
VOLVO S80 I 2.4 B5244S01.1999-07.2006170Sedan
VOLVO S80 I 2.4 B5244S201.1999-07.2006140Sedan
VOLVO S80 I 2.4 Bifuel B5244SG09.2001-07.2006140Sedan
VOLVO S80 I 2.4 Bifuel B5244SG209.2001-07.2006140Sedan
VOLVO S80 I 2.4 D D5244T210.2001-07.2006131Sedan
VOLVO S80 I 2.4 D5 D5244T08.2001-07.2006163Sedan
VOLVO S80 I 2.4 T B5244T306.2000-07.2006200Sedan
VOLVO S80 I 2.4 T5 AWD B5244T304.2000-09.2003200Sedan
VOLVO S80 I 2.5 T AWD B5254T207.2003-07.2006210Sedan
VOLVO S80 I 2.5 T B5254T203.2003-07.2006210Sedan
VOLVO S80 I 2.5 TDI D5252T01.1999-07.2006140Sedan
VOLVO S80 I 2.8 T6 B6284T05.1998-12.2001272Sedan
VOLVO S80 I 2.9 B6294S03.1999-07.2006200Sedan
VOLVO S80 I 2.9 B6294S205.1998-02.2008196Sedan
VOLVO S80 I 2.9 B6304S305.1998-07.2006204Sedan
VOLVO S80 I 2.9 T6 B6294T06.2001-07.2006272Sedan
VOLVO S80 I 3.0 B6294S206.2001-07.2006196Sedan
VOLVO S80 I 3.0 T6 B6294T06.2001-07.2006272Sedan
VOLVO V70 II 2.0 T B5204T511.1999-08.2007180Station wagon
VOLVO V70 II 2.3 B5234T710.2000-09.2004265Station wagon
VOLVO V70 II 2.3 T5 B5234T311.1999-12.2004250Station wagon
VOLVO V70 II 2.4 B5244S03.2000-08.2007170Station wagon
VOLVO V70 II 2.4 B5244S203.2000-08.2007140Station wagon
VOLVO V70 II 2.4 Bifuel B5244SG09.2001-08.2007140Station wagon
VOLVO V70 II 2.4 Bifuel B5244SG209.2001-08.2007140Station wagon
VOLVO V70 II 2.4 CDI D5244T607.2005-12.2008122Station wagon
VOLVO V70 II 2.4 D D5244T207.2001-08.2007131Station wagon
VOLVO V70 II 2.4 D D5244T704.2005-12.2008126Station wagon
VOLVO V70 II 2.4 D5 AWD D5244T405.2005-08.2007185Station wagon
VOLVO V70 II 2.4 D5 AWD D5244T507.2002-08.2007163Station wagon
VOLVO V70 II 2.4 D5 D5244T404.2005-12.2008185Station wagon
VOLVO V70 II 2.4 D5 D5244T501.2001-12.2008163Station wagon
VOLVO V70 II 2.4 T AWD B5244T309.2001-08.2002200Station wagon
VOLVO V70 II 2.4 T B5244T311.1999-08.2003200Station wagon
VOLVO V70 II 2.4 T5 B5244T504.2004-08.2007260Station wagon
VOLVO V70 II 2.5 T AWD B5254T207.2002-08.2007209Station wagon
VOLVO V70 II 2.5 T B5254T207.2001-08.2007209Station wagon
VOLVO V70 II 2.5 TDI D5252T11.1999-08.2007140Station wagon
VOLVO XC70 CROSS COUNTRY I 2.4 D5 AWD D5244T412.2005-08.2007185Station wagon
VOLVO XC70 CROSS COUNTRY I 2.4 D5 XC AWD D5244T09.2002-08.2007163Station wagon
VOLVO XC70 CROSS COUNTRY I 2.4 T XC AWD B5244T303.2000-09.2002200Station wagon
VOLVO XC70 CROSS COUNTRY I 2.5 T XC AWD B5254T209.2002-08.2007209Station wagon
Whatsapp 05495343125